
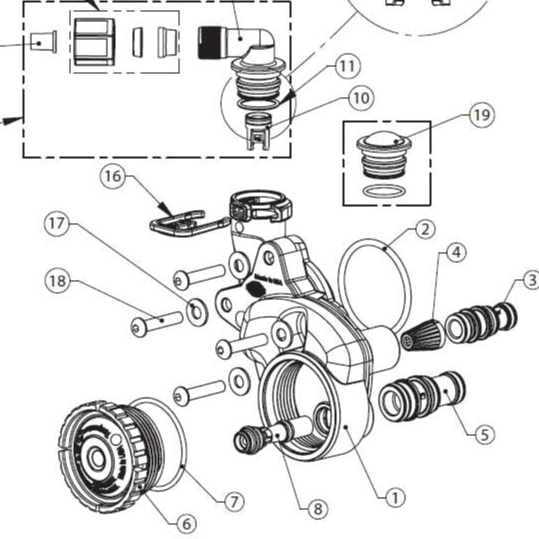
WS1.5 Brass Control Valve
The WS1.5 Brass control valve parts are divided into the following categories.
Tap the Tap Here Button associated with the part(s) you are looking for.


Stack Spacers and Piston Assembly





The WS1.5 Brass control valve parts are divided into the following categories.
Tap the Tap Here Button associated with the part(s) you are looking for.